咨询热线
15053366601
![]() |
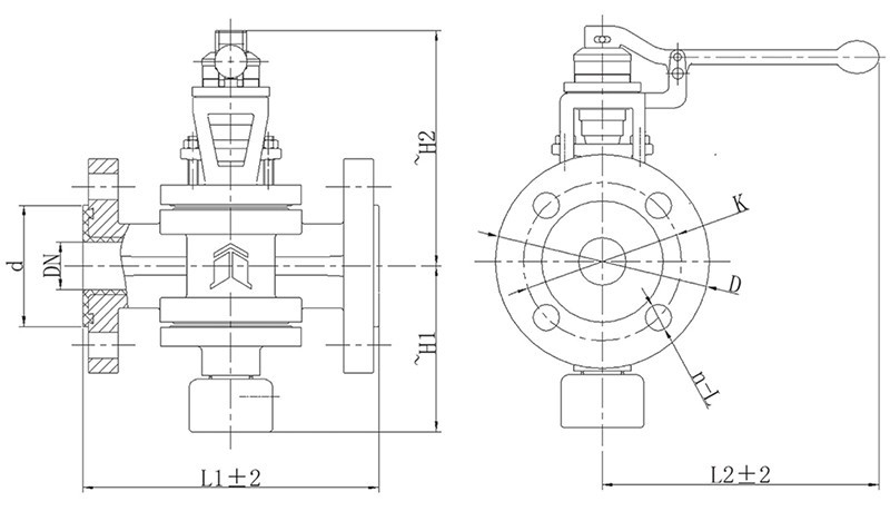
PFA衬里不锈钢取样阀 PFA Lined Stainless Steel Sampling Valve 此取样阀提供了一个简单、安全的采样方式,对样品取样达到零污染水平。阀门本质是针形阀,用于在控制流量的条件下从管道中取样。在设计上安排了多重密封结构(已申请专利),以实现压盖部分零泄漏。物料与阀体内部接触材料均为PFA材质,保证其耐腐蚀性,其余部件材质采用不锈钢制造,达到阀门的内外表面都具有良好的卫生洁净度,从而在需要清洁工作的环境中最大限度地减少污染。阀门上方设有下压操作手柄,可轻松小心打开阀门取样。通过适配不同取样瓶四氟座安装硼硅酸盐玻璃瓶可以用于水平或垂直管道系统中。在操作把手和阀体机架处设有安全锁孔,防止无关人员进行随意操作,现场控制更安全。
The sampling valve provides a simple and safe sampling method which has zero contamination to the samples. It is actually a needle valve, which is used to take samples from the pipeline under the condition of controlled flow. Multiple sealing structures (patented) are designed to achieve zero leakage in gland. The valve body contacting with sampling medium is made of PFA to ensure its corrosion resistance and the rest of the components are made of stainless steel, so that the inner and outer surfaces of the valve have good hygiene and cleanliness, which minimizes contamination in environments where clean work is required. There is a push-down operating handle above the valve, which can easily and carefully open the valve for sampling. Borosilicate glass bottles can be used in horizontal or vertical piping systems by fitting different sampling bottles with Teflon seats. Safety keyhole is provided at the operating handle and valve body frame to prevent irrelevant personnel from arbitrarily operating, and the on-site control is safer .

PFA衬里不锈钢取样阀尺寸及规格:



更多关于PFA衬里不锈钢取样阀的情况,欢迎您随时电话咨询15053366605(韩经理)15053366601(张经理)

公司名称:taptap官网电脑版
联系人: 张亮经理
手机:15053366601
邮箱:15053366601@tjtbl.com
网址:www.phtcwedding.com
---------------------------------------
联系人:
手机:
邮箱:
邮编:256414
